晶振分類
- 晶振系列
- 陶瓷晶振
- 陶瓷濾波器
- 微孔霧化片
- 希華晶體
- 石英晶振
- SMD晶振
- 聲表面諧振器
- NSK晶振
- TXC晶振
- 臺灣加高晶振
- 臺灣鴻星晶振
- 百利通亞陶晶振
- 臺灣泰藝晶振
- AKER晶振
- NKG晶振
- 進口晶振
- KDS晶振
- 精工晶振
- 村田晶振
- 西鐵城晶振
- 愛普生晶振
- 亞陶,嘉碩晶體
- CTS晶體
- 京瓷晶振
- NDK晶振
- 大河晶振
- 瑪居禮晶振
- 富士晶振
- NAKA晶振
- SMI晶振
- NJR晶振
- 移動設備
- 數碼電子
- 通信網絡
- 醫療電子
- 安防GPRS導航
- 汽車電子
- 歐美晶振
- Abracon晶振
- 康納溫菲爾德晶振
- 日蝕晶振
- ECS晶振
- 高利奇晶振
- 格林雷晶振
- IDT晶振
- JAUCH晶振
- Pletronics晶振
- 拉隆晶振
- Statek晶振
- SiTime晶振
- 維管晶振
- 瑞康晶振
- 微晶晶振
- AEK晶振
- AEL晶振
- Cardinal晶振
- Crystek晶振
- Euroquartz晶振
- Fox晶振
- Frequency晶振
- GEYER晶振
- KVG晶振
- ILSI晶振
- Mmdcomp晶振
- MtronPTI晶振
- QANTEK晶振
- QuartzCom晶振
- Quarztechnik晶振
- Suntsu晶振
- Transko晶振
- Wi2Wi晶振
- ACT晶振
- MTI-milliren晶振
- Lihom晶振
- Rubyquartz晶振
- Oscilent晶振
- SHINSUNG晶振
- ITTI晶振
- PDI晶振
- IQD晶振
- Microchip晶振
- Silicon晶振
- Anderson晶振
- Fortiming晶振
- CORE晶振
- NIPPON晶振
- NIC晶振
- QVS晶振
- Bomar晶振
- Bliley晶振
- GED晶振
- FILTRONETICS晶振
- STD晶振
- Q-Tech晶振
- Wenzel晶振
- NEL晶振
- EM晶振
- PETERMANN晶振
- FCD-Tech晶振
- HEC晶振
- FMI晶振
- Macrobizes晶振
- AXTAL晶振
- Sunny晶振
- ARGO晶振
- 石英晶體振蕩器
- 有源晶振
- 溫補晶振
- 壓控晶振
- 壓控溫補晶振
- 恒溫晶振
- 差分晶振
常見問題
更多>>
津綻晶振集團為確保所生產晶振,貼片石英晶振的質量,都會經過廣泛的電氣以及環境測試,確保質量上不會存在錯誤. 津綻石英科技股份有限公司擁有超過10年以上的生產經驗,秉持著持續開發與專業技術支持,從研發生產到銷售所使用的材料均符合ROHS環保要求,所生產的石英晶振晶體達到了歐盟環保要求.NSK購買的所有部件和材料都是經過檢查嚴格按照標準并且符合RoHS標準的制造商所提供.
津綻晶振的產品被廣泛地運用在個人計算機,安全系統,通訊,無線應用,遙控單元和消費性電子產品等,并已陸續獲得國內外電腦及通訊大廠認可及使用.津綻晶振生產的石英水晶振子已獲得ISO 9001 / ISO 14001的品質和環保認證,產品并通過及符合Rohs規范的要求,且確實配合客戶實現無毒產品的要求,以創造及維護美好環境為己任.

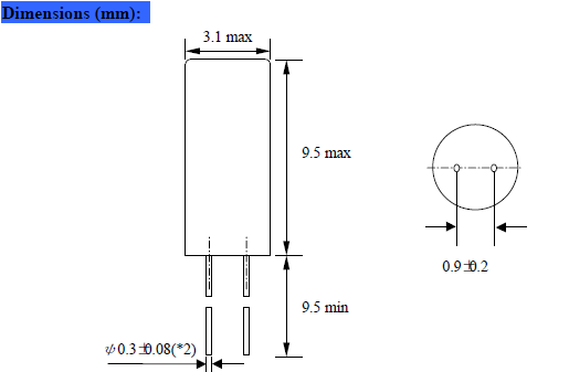
NSK晶振,石英晶振,NXF 3-9晶振,插件石英晶振具有穩定的起振特性,高耐熱性,耐熱循環性和耐振性等的高可靠性能,可用于安全控制裝置的CPU時鐘信號發生源部分,好比時鐘單片機上的石英晶振,在極端嚴酷的環境條件下,晶振也能正常工作,滿足無鉛焊接的回流溫度曲線要求.
全自動石英晶振晶片清洗技術:采用高壓噴淋清洗,兆聲振動的原理,一個全自動、清洗過程由PLC控制,由傳輸裝置、噴淋清洗段、噴淋漂洗段、風力吹水段等, 操作自動化程度高,除上下工件需要人工外,其余全部由設備自動完成.根據需要,對速度,溫度,時間等參數進行調整,使之最大限度的滿足工藝需要.能最大限度除去晶片污染物,并防止人工污染圓柱音叉晶振晶片.
|



產品的玻璃部分直接彎曲引腳或用力拉伸引腳會導致在引腳根部發生密封玻璃分裂(開裂),也可能導致氣密性和產品特性受到破壞.當石英水晶振動子產品的引腳需彎曲成下圖所示形狀時,應在這種場景下留出0.5mm的引腳并將其托住,以免發生分裂.當該引腳需修復時,請勿拉伸,托住彎曲部分進行修正.在該密封部分上施加一定壓力,會導致氣密性受到損壞.所以在此處請不要施加壓力.另外,為避負機器共振造成引腳疲勞切斷,建議用粘著劑將產品固在定電路板上.
鹵化合物:請勿在鹵素氣體環境下使用無源晶振.即使少量的鹵素氣體,比如在空氣中的氯氣內或封裝所用金屬部件內,都可能產生腐蝕.同時,請勿使用任何會釋放出鹵素氣體的樹脂.靜電:過高的靜電可能會損壞石英晶體諧振器,請注意抗靜電條件.請為容器和封裝材料選擇導電材料.在處理的時候,請使用電焊槍和無高電壓泄漏的測量電路,并進行接地操作.NSK晶振,石英晶振,NXF 3-9晶振。

NSK晶振遵守所有適用的有關環境、健康和安全的法律和法規以及公司自己的有關環境、工業衛生和安全的方針和承諾.減少污染物排放,對不可再生的資源進行有效利用.減少廢物的產生,對其排放的責任進行有效管理,有效地使用能源.通過石英插件晶體,貼片晶振,溫補晶振,石英晶體振蕩器設計工藝程序對員工進行培訓保護環境以及人們的健康和安全.提供安全使用和廢置我們的產品的信息,對環境有重大健康安全和環境的運營現狀進行糾正.NSK晶振,石英晶振,NXF 3-9晶振。
NSK津綻晶振集團消除事故和環境方面的偶發事件,減少晶體諧振器、3x9圓柱晶體,普通晶體振蕩器(SPXO)材料廢物的產生和排放,有效的使用能源和各種自然資源,對緊急事件做好充分準備,以便及時做出反應.
將有效率的使用自然資源和能源,以便從源頭減少廢物產生和排放.我們將在關注于預防環境和安全事故,保護公眾健康的同時,努力改進我們的MHZ圓柱晶體生產操作.我公司將積極參與加強公眾環境、健康和安全意識的活動,提高公眾對普遍的環境、健康和安全問題的注意.

深圳市兆現電子有限公司
聯系人:龔成
電話:0755--27876236聯系人:龔成
QQ:769468702
手機:13590198504
郵箱:zhaoxiandz@163.com
網站:http://m.qglg.com.cn/









