企業博客
更多>>石英晶體振蕩器的電路輸出及附加控制功能
來源:http://m.qglg.com.cn 作者:兆現電子 2016年06月02
由于石英晶體振蕩器具有良好的穩定性,在通信、測量、時鐘、控制等領域得到了廣泛的應用,對高精度的頻率輸出.隨著頻率穩定性的要求越來越嚴格,在許多場合中,選擇購買振蕩器的頻率比晶體單元要好,可以很容易地獲得具有高穩定性的頻率輸出,而只提供給振蕩器.這里我們要提到的是,石英晶體振蕩器是指晶體單元的聯合單位和反饋電路的放大器.
石英晶體振蕩器的主要類型:
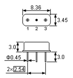
1.一般的石英晶體振蕩器:
基本上這種振蕩器是由晶體單元和反饋放大器組成的晶體單元.有不同的輸出波對應于不同的應用.
.jpg)
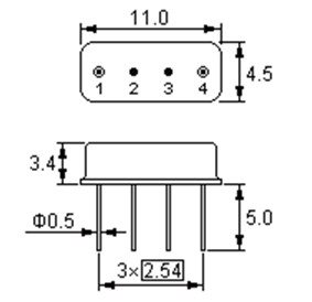
2.電壓控制振蕩器:
壓控石英晶體振蕩器是利用外部控制電壓,一般的石英晶體振蕩器的輸出頻率可調的附加控制功能的振蕩器.
.jpg)
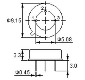
3.電壓控制TCXO晶振:
.jpg)
.jpg)
影響頻率穩定性的最大因素是溫度特性.在溫度補償電路的幫助下,該振蕩器實現了溫度特性的高穩定化.由于采用了指定的溫度補償電壓,振蕩器可以輸出更穩定的頻率與環境溫度.主要用于移動通信設備頻率合成器的標準振蕩器.PDC(個人數字蜂窩)、GSM(全球移動通信系統)、GPS(全球定位系統)等要求的+ / -2.5ppm最大溫度穩定性高頻率.這樣的要求不能滿足于切割晶體單元.此外,不同晶體單元在溫度特性上存在著細微的差別.因此,需要對溫度補償電路進行補償以獲得較高的溫度穩定性.
石英晶體振蕩器的主要類型:
1.一般的石英晶體振蕩器:
基本上這種振蕩器是由晶體單元和反饋放大器組成的晶體單元.有不同的輸出波對應于不同的應用.
.jpg)
2.電壓控制振蕩器:
壓控石英晶體振蕩器是利用外部控制電壓,一般的石英晶體振蕩器的輸出頻率可調的附加控制功能的振蕩器.
.jpg)
3.電壓控制TCXO晶振:
.jpg)
.jpg)
影響頻率穩定性的最大因素是溫度特性.在溫度補償電路的幫助下,該振蕩器實現了溫度特性的高穩定化.由于采用了指定的溫度補償電壓,振蕩器可以輸出更穩定的頻率與環境溫度.主要用于移動通信設備頻率合成器的標準振蕩器.PDC(個人數字蜂窩)、GSM(全球移動通信系統)、GPS(全球定位系統)等要求的+ / -2.5ppm最大溫度穩定性高頻率.這樣的要求不能滿足于切割晶體單元.此外,不同晶體單元在溫度特性上存在著細微的差別.因此,需要對溫度補償電路進行補償以獲得較高的溫度穩定性.
正在載入評論數據...
相關資訊
- [2026-03-31]FA2016AS小型超薄封裝賦能多領域...
- [2026-03-31]愛普生TG2520CEN高穩定性溫補振...
- [2026-03-27]TAITIEN推出VD-M高頻超低噪聲晶...
- [2026-03-27]泰藝VA-M型CMOS輸出電壓控制晶體...
- [2026-03-18]QTTC4晶振環境適配拉滿耐熱性能...
- [2026-03-18]Qantek推出QX14系列表面貼裝晶體...
- [2026-03-10]Pletronics普銳特7050振蕩器陶瓷...
- [2026-03-10]Pletronics普銳特TCXO與OCXO技術...





