晶振分類
- 晶振系列
- 陶瓷晶振
- 陶瓷濾波器
- 微孔霧化片
- 希華晶體
- 石英晶振
- SMD晶振
- 聲表面諧振器
- NSK晶振
- TXC晶振
- 臺灣加高晶振
- 臺灣鴻星晶振
- 百利通亞陶晶振
- 臺灣泰藝晶振
- AKER晶振
- NKG晶振
- 進口晶振
- KDS晶振
- 精工晶振
- 村田晶振
- 西鐵城晶振
- 愛普生晶振
- 亞陶,嘉碩晶體
- CTS晶體
- 京瓷晶振
- NDK晶振
- 大河晶振
- 瑪居禮晶振
- 富士晶振
- NAKA晶振
- SMI晶振
- NJR晶振
- 移動設備
- 數碼電子
- 通信網絡
- 醫療電子
- 安防GPRS導航
- 汽車電子
- 歐美晶振
- Abracon晶振
- 康納溫菲爾德晶振
- 日蝕晶振
- ECS晶振
- 高利奇晶振
- 格林雷晶振
- IDT晶振
- JAUCH晶振
- Pletronics晶振
- 拉隆晶振
- Statek晶振
- SiTime晶振
- 維管晶振
- 瑞康晶振
- 微晶晶振
- AEK晶振
- AEL晶振
- Cardinal晶振
- Crystek晶振
- Euroquartz晶振
- Fox晶振
- Frequency晶振
- GEYER晶振
- KVG晶振
- ILSI晶振
- Mmdcomp晶振
- MtronPTI晶振
- QANTEK晶振
- QuartzCom晶振
- Quarztechnik晶振
- Suntsu晶振
- Transko晶振
- Wi2Wi晶振
- ACT晶振
- MTI-milliren晶振
- Lihom晶振
- Rubyquartz晶振
- Oscilent晶振
- SHINSUNG晶振
- ITTI晶振
- PDI晶振
- IQD晶振
- Microchip晶振
- Silicon晶振
- Anderson晶振
- Fortiming晶振
- CORE晶振
- NIPPON晶振
- NIC晶振
- QVS晶振
- Bomar晶振
- Bliley晶振
- GED晶振
- FILTRONETICS晶振
- STD晶振
- Q-Tech晶振
- Wenzel晶振
- NEL晶振
- EM晶振
- PETERMANN晶振
- FCD-Tech晶振
- HEC晶振
- FMI晶振
- Macrobizes晶振
- AXTAL晶振
- Sunny晶振
- ARGO晶振
- 石英晶體振蕩器
- 有源晶振
- 溫補晶振
- 壓控晶振
- 壓控溫補晶振
- 恒溫晶振
- 差分晶振
常見問題
更多>>
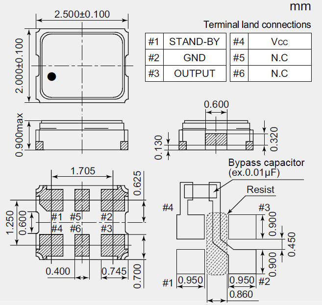
NZ2520SEA石英晶體振蕩器,NDK普通有源晶振,進口日本晶振,有源晶振,是只晶體本身起振需要外部電壓供應,起振后可直接驅動CMOS 集成電路,產品本身已實現與薄型IC(TSSOP封裝,TVSOP封裝)同樣的1mm厚度,斷開時的消費電流是15 µA以下,編帶包裝方式可對應自動搭載及IR回流焊接(無鉛對應)產品有幾種電壓供選1.8V,2.5V,3V3.3V,5V,以應對不同IC產品需要.
.jpg)
| 晶振規格參數 | NZ2520SEA |
| 標稱頻率范圍(MHz) | 2.75MHZ~54.0MHZ |
| 輸出電平 | CMOS |
| 整體頻率公差* 2 Max。 | ±15 |
| 卷Max。/ VOH分鐘。 | 0.2 VCC / 0.8 VCC |
| Tr Max。/ Tf馬克斯。 | 5/5 ( at 0.2 to 0.8VCC ) |
| 對稱分鐘馬克斯。 | 45 to 55 ( at 1/2VCC ) |
| 負載(CL)馬克斯。 | 15pF |
| 等效串聯電阻 | 指* 1 |
| 啟動時間馬克斯。 | 10ms |
| 工作溫度范圍 | –40℃~ +85℃ |
| 備用功能 | (三態) |
.jpg)



NDK的發展:1948 年 在東京都中央區日本橋設立南部商工株式會社
1949 年 開始石英晶振的制造、銷售
1950 年 公司名變更為日本電波工業株式會社總公司遷移登記至東京都涉谷區大山町
1975 年 在美國加利福尼亞州設立美國辦事處
1976 年 在宮城縣古川市(現為 大崎市)建立古川NDK株式會社
1979 年 在馬來西亞建立Asian NDK Crystal Sdn. Bhd.為取得更大發展而解散美國辦事處,設立NDK America, Inc.
1985 年 狹山事業所主樓竣工
1986 年 在愛知縣岡崎市設立中部營業所在馬來西亞建立Malaysian Quartz Crystal Sdn. Bhd.(現為 NDK Quartz Malaysia Sdn. Bhd.)狹山事業所新館竣工
2002 年 NDK America, Inc. 的總公司辦公室搬至美國伊利諾斯州在美國伊利諾斯州成立NDK America, Inc.在北海道函館市建立NRS Technologies Inc.在中國上海設立日電波水晶(上海)貿易有限公司
2004 年 在北海道千歲市成立千歲技術中心
2005 年 函館NDK吸收合并NRS Technologies Inc.總公司搬至東京都涉谷區笹塚
經營理念:要認識到作為世界一流廠家的使命和責任,要始終在行業中起帶頭作用.搶先取得社會需求,為客戶提供高質量的服務.追求使用更方便、更穩定的發振源,創造更高的附加價值.不畏失敗,向困難挑戰,努力培養出能自我開發的人才.
.jpg)
依據不同的應用領域及工作溫度需求, 因應了許多不同的石英切割角度種類. 例如AT-, BT-, CT-, DT-, NT, GT…..等不同的切割板片. 不同的切割方向的板片具有不同的彈性常數張量(elastic constant tensor), 不同的壓電常數張量(piezoelectric constant tensor)及不同的介電常數張量(dielectric constant tensor). 這些張量在石英組件的設計及應用上展現了不同的振蕩及溫度特性. (圖三)表現了在Z-plat石英結構上,幾種不同方向的石英板片切割方式. 
.jpg)

















